2025年10月2日,湖南紫光生产车间的假日宁静被突然划破,技术员谭经伟以多年练成的精稳快操,将一台接近完工的屏体拆解重组,装配上宜涪高铁恩施两河口35kV变电站的核心设备——主变保护测控屏。8小时后,新屏柜在谭经伟面前整装待发,历经调试后将立即发往宜涪高铁建设一线。


宜涪高铁东起湖北宜昌,西接重庆涪陵,正线全长490公里,总投资约1260亿元。项目建成后将把宜昌至重庆的动车运行时间从4小时压缩至约2.5小时,武汉至重庆的运行时间也将大幅缩短,本项目是支撑国家战略,引领长江经济带高质量发展的重大标志性工程。


国庆前夕,恩施两河口35kV变电站刚刚落成,其变电设备能否及时投运,关系到高铁施工现场的设备运转,牵动着整体建设进度。10月1日,一通紧急需求电话打进湖南紫光值班室。公司第一时间启动应急响应机制,市场部、设计部、生产部、调试部、货运中心等多部门即刻联动,开启极速连轴运转。




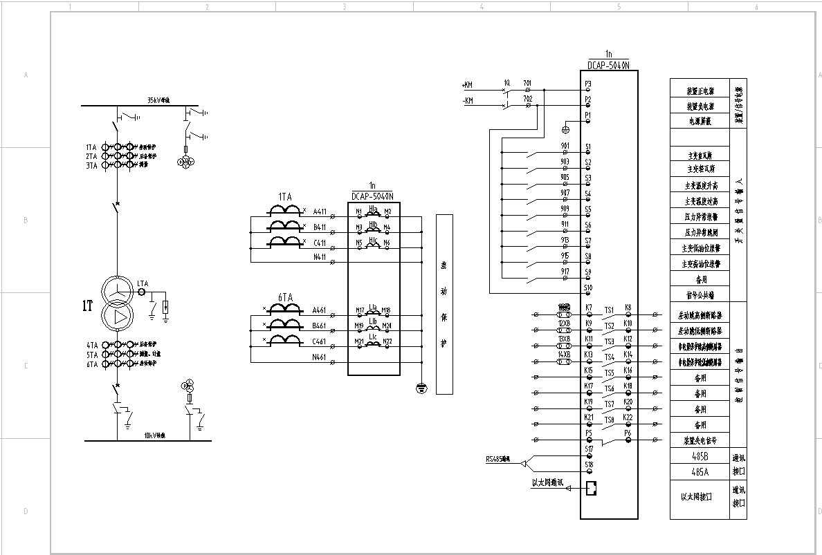
在备品备件仓库,湖南紫光8000万动态库存随时待命;在生产一线,假期返岗的技术人员争分夺秒,高效推进设计、组屏、调试、出厂全流程。该屏柜集成主变差动保护装置DCAP-5040、主变高后备监控保护装置DCAP-5051、主变低后备监控保护装置DCAP-5051,并采用GGD屏体及全套附件,是保障变电站主变压器安全稳定运行的神经中枢。经湖南紫光多部门、高效协作36小时后,一组承载国家发展重任的新屏柜已奔赴建设现场。



截至10月10日发稿时,湖南紫光技术团队已抵达位于恩施双河口的变电站现场,迅速开展安装调试,计划于两天内完成设备测试并投运。关键时刻顶得上、靠得住,湖南紫光以高效的服务能力鼎力国家发展,也成了“中国速度”背后的有力支撑。
